H41Y美標鍛鋼法蘭止回閥
產品概況
產品型號:H41Y
公稱通徑:NPS1/2"~2"
公稱壓力:Class150~600Lb
工作溫度:600℃
適用介質:水、油品、蒸汽、及氣體、某些腐蝕性液體等
主要材質:A105N、A182 F22、A182 F304(L)、A182 F316(L)
結構長度:按ANSI B16.5 F16.5
H41Y美標鍛鋼法蘭止回閥產品簡介:
百鋼閥門集團生產銷售的H41Y美標鍛鋼法蘭止回閥閥瓣與閥座密封面采用鈷基硬質合金等離子噴焊而成硬度高、抗沖蝕、經久耐用。適用于工作溫度600℃的石油、化工、水力、火力電站等各種工況的管路上切斷或接通介質。適用介質為:水、油品、蒸汽、及氣體、某些腐蝕性液體等。
H41Y美標鍛鋼法蘭止回閥工作原理:
鍛鋼法蘭止回閥閥瓣、閥座密封面采用鐵基合金或司太立(Stellite)鈷基硬質合金堆焊面成耐磨、耐高溫、耐腐蝕、抗擦傷性能好使用壽命長等特點。不銹鋼銷軸與閥瓣連接采用內裝式結構-性能優良-密封更可靠。產品廣泛應用于石油、化工、制藥、電力行業等各種工況的管路上防介質倒流作用。適用介質為水、油品、蒸汽、氣體及某些腐蝕性液體介質等。
H41Y美標鍛鋼法蘭止回閥產品特點:
1、導向筋上堆焊硬質合金閥體上腔導向套采用不銹鋼材料制成保證閥瓣動作靈活。
2、閥瓣與閥座密封面采用鈷基硬質合金等離子噴焊而成硬度高、抗沖蝕、經久耐用。
3、壓力密封設計和高純石墨墊片環以確保高氣密。
4、閥門中腔采用壓力自緊式密封結構,內腔壓力越高密封性能越好。
5、閥瓣圍繞閥座外的銷軸旋轉,減少關閉時發生的猛烈沖擊。
美標鍛鋼法蘭止回閥標準材質明細表
|
序號 |
零件名稱 |
CS to ASTM |
AS to ASTM |
SS to ASTM |
|
|
Type A105N |
Type F22 |
Type F304(L) |
Type F316(L) |
||
|
1 |
閥體 |
A105N |
A182 F22 |
A182 F304(L) |
A182 F316(L) |
|
2 |
銘牌 |
SS |
|||
|
3 |
閥瓣 |
A276 420 |
A276 304 |
A276 304(L) |
A276 316(L) |
|
4 |
閥蓋 |
A105N |
A182 F22 |
A182 F304(L) |
A182 F316(L) |
|
5 |
墊片 |
316夾柔性石墨 |
316夾PTFE |
||
|
6 |
螺栓 |
A193 B7 |
A193 B16 |
A193 B8(M) |
A193 B8(M) |
|
適用介質 |
水、蒸汽、油品等 |
水、蒸氣、油品等 |
硝酸、醋酸等 |
||
|
適用溫度 |
-29°C~425°C |
-29°C~550°C |
-29°C~200°C |
||
※注意:客戶需求的其他材質也可采用。密封面材料配對由客戶指定內件代號決定。
CS=碳鋼;AS=合金鋼;SS=不銹鋼。
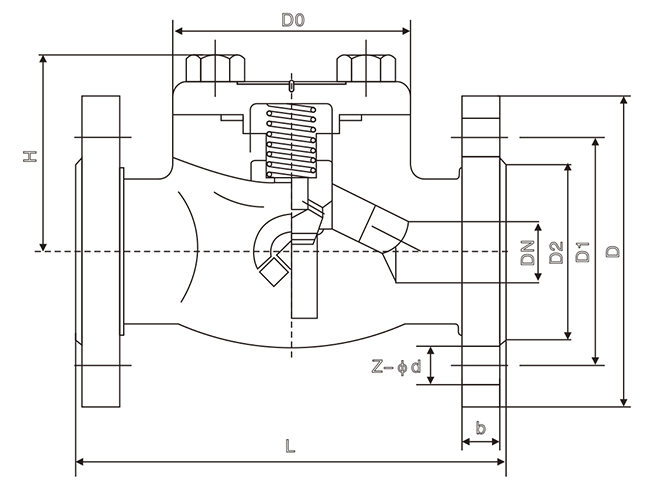
鍛鋼法蘭止回閥尺寸(mm)和重量(Kg)

|
NPS |
1/2 |
3/4 |
1 |
11/4 |
11/2 |
2 |
||
|
L(RTJ) |
150 |
108 |
117 |
127 |
140 |
165 |
203 |
|
|
300 |
152 |
178 |
203 |
216 |
229 |
267 |
||
|
600 |
165 |
190 |
216 |
229 |
241 |
292 |
||
|
H |
150,300 |
61 |
61 |
79 |
95 |
103 |
118 |
|
|
600 |
61 |
79 |
95 |
103 |
118 |
135 |
||
|
重量 |
150 |
RTJ |
2.56 |
3.37 |
4.37 |
8.17 |
8.94 |
12.64 |
|
BW |
1.70 |
1.90 |
2.10 |
5.12 |
5.50 |
7.89 |
||
|
300 |
RTJ |
2.73 |
3.65 |
4.74 |
8.77 |
9.60 |
13.70 |
|
|
BW |
1.90 |
2.10 |
3.00 |
5.12 |
6.60 |
7.85 |
||
|
600 |
RTJ |
3.00 |
4.00 |
5.83 |
9.47 |
10.10 |
15.6 |
|
|
BW |
2.00 |
3.12 |
4.25 |
7.25 |
8.56 |
13.60 |
||
溫馨提示:
本文中所有文字、數據、圖片均只適用于參考。需要查看更多的H41Y美標鍛鋼法蘭止回閥性能參數、結構尺寸參數、價格等詳情,或要求高質量印刷樣本,請聯系我們。